Sala Acelerador Lineal

Imagen del recinto
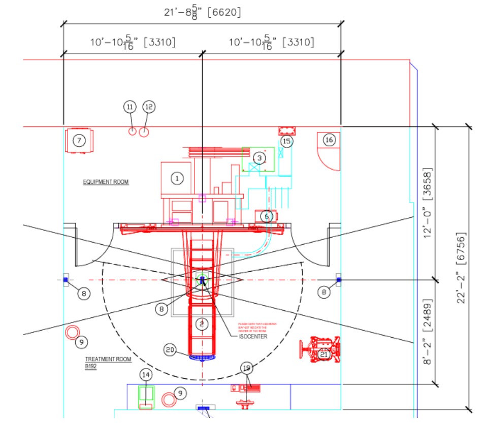
Dimensiones de Sala
Alto de Sala (m)
Variable
Ancho de Sala (m)
6,2 metros
Largo de Sala (m)
5,4 metros
Tipo de Blindaje
Blindaje de muros (protección radiológica)
Infraestructura
Área Limpia
Requiere de área limpia
Área Sucia
Requiere de área sucia
Otras Áreas
Requiere de vestidores
Agua Fría
Requiere de conexión a agua fria
Agua Caliente
Requiere de conexión a agua caliente
Alcantarillado
Requiere de conexión a alcantarillado
Agua Tratada
No Requiere
Gases Clínicos
Si requiere
Ventilación
Ventilación Mecánica
Condiciones Ambientales
Presión
Presión Positiva
Temperatura
18 - 26 °C
Humedad
30% - 70%
Filtro
Filtro MERV 14
Normativa Aplicable
• Decreto N°58: Norma Técnica Básica de Autorización Sanitaria para Establecimientos de Salud.
• ASHRAE 170 - 2013: Ventilación de instalaciones de atención médica.
• UNE-EN 12464-1:2012: Iluminación de los lugares de trabajo, Parte 1: Lugares de trabajo interiores.
• Norma General Técnica N°51: Radioterapia Oncológica.
Equipos asociados a este recinto
← Volver al listado de recintosMenú principal